应用领域
智能家居
智能出行
无人机
智能机器人
产品中心
数字伺服舵机
机器人减速器
全金属减速电机
粉末冶金减速器
轮毂电机减速器
灵巧手关节模组
机器人关节模组
无框力矩减速电机
其他
蜗杆蜗轮减速电机
汽车吸顶电视翻转电机
智能马桶翻盖电机
全金属塔式减速电机
科研实力
研发实力
智能制造
检测能力
新闻资讯
展会快讯
行业新闻
关于ABASS
阿巴斯介绍
发展历程
社会责任
联系我们
加入ABASS
员工活动
校园招聘
HOT职位
语言
中文
English
应用领域
- 智能家居
- 智能出行
- 无人机
- 智能机器人
产品中心
- 数字伺服舵机
- 机器人减速器
- 灵巧手关节模组
- 机器人关节模组
- 其他
科研实力
- 研发实力
- 智能制造
- 检测能力
新闻资讯
- 展会快讯
- 行业新闻
关于ABASS
- 阿巴斯介绍
- 发展历程
- 社会责任
- 联系我们
加入ABASS
- 员工活动
- 校园招聘
- HOT职位
语言
- 中文
- English
产品中心
您现在的位置:
网站首页
>
产品中心
>
数字伺服舵机
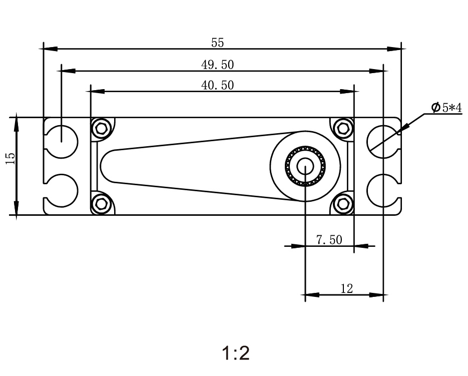
A-MG1610C01
应用领域:车模消费级无人机、玩具、智能小家电、智能家居、自动化、航模、机器人等。
热线电话:400-1618-121
立即咨询
产品详情:
工作电压
6V
7.4V
8.4V
空载速度±10%
0.134sec/60°
0.107sec/60°
0.097sec/60°
堵转扭力±10%
1lkg.fcm
14kgf.cm
16kgf.cm
马达类型
空心杯马达
齿轮材质
全金属
外壳材质
铝合金
外观尺寸
40.5*15*34mm
重量
56g
应用领域
车模、智能家居、玩具等
上一条:
A-MG4009A01
下一条:
A-MG120012A01
[返回]
相关产品:
A-F1110MG26
A-F1310MG26
A-MG0808C01
A-MG1005C01
粤ICP备2024273638号
CopyRight © 2026 东莞市阿巴斯精密传动科技有限公司
应用领域
产品中心
科研实力
新闻资讯
关于ABASS
加入ABASS
关注我们
400-1618-121
E-mail